NACHI那智點焊機器人SRA210平衡缸

NACHI那智點焊機器人SRA210平衡缸

 

NACHI那智點焊機器人SRA210平衡缸

 

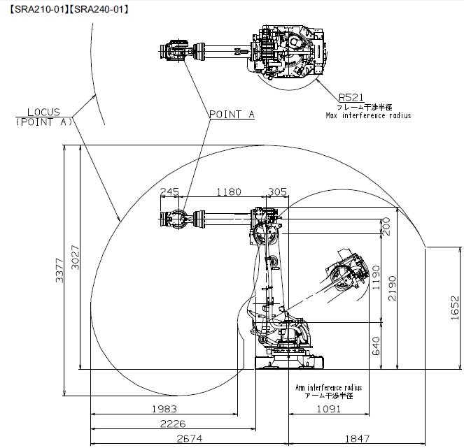
那智機器人SRA210參數:

軸數 :6軸

負載 :210kg

工作范圍 :2654mm

精度 :0.15mm

安裝方式 :落地

本體重量 :1090kg

 

NACHI那智點焊機器人SRA210平衡缸

 

那智機器人SRA210特點:

       SRA 系列機器人專為快節奏的汽車行業設計,可大幅縮短周期時間、顯著提高生產率并降低成本;用于點焊設施內部裝飾的新型空心臂系列為設施管線(冷卻水、焊接電源、信號、伺服槍電纜)提供了額外的保護并減少了應力;壓力校準多達 10 點,通過點焊范圍實現更精確的壓力。